Публикации
Гроупедия
Перейти к содержанию
JahGarden

DIY угольный фильтр для стелса

Рекомендуемые сообщения

Решил сделать себе небольшой стелс-гроубокс – не системник, конечно – размер побольше (38х40х62). Тем не менее, обычный канальник туда не влезает, да и шумит он, насколько я понимаю, достаточно сильно для стелса. Сначала посмотрел строй-репорты стелс-гроубоксов на Dzagi, но фильтры, которые там делают мне не понравились. В основном, это были конструкции из металла и дерева, которые достаточно сложно сделать самому и зачастую сложно эксплуатировать. Поэтому я решил придумать как сделать свой угольный фильтр, который должен отвечать следующим требованиям: несложный в изготовлении, эстетичный внешний вид и простота эксплуатации, то есть замены угля.

Фильтр я решил делать на основе компьютерного кулера.

Изучив теоретическую базу на Dzagi, вынес оттуда следующие вещи:

1. Вентилятор должен стоять после фильтра и выкачивать воздух из бокса, за счет давления, который он создает на уголь;

2. Оптимальная толщина слоя угля составляет 1,5 см;

3. Между углем и вентилятором должна быть компенсационная камера минимум 2 см;

4. Дополнительная площадь фильтра (x2, x3) не сильно увеличивает производительность фильтра.

spacer.pngИсходя, из этих вводных я начал искать компоненты, из которых можно изготовить такой фильтр. Все запчасти нашлись в родной индустрии, то есть компонентах вентиляционных систем. Осталось только творчески их использовать для наших целей. Итак, нам понадобятся: вентиляционный редуктор (d=80-160), в нем будет контейнер для угля и компенсационная камера; фланец вентиляции диаметром 120мм для крепления вентилятора; вентиляционная решетка на магнитах КП 120 и металлическая сетка от насекомых.

parts.thumb.png.000b09d2dff6839000629a185013360c.png

Для крепления вентилятора я изначально хотел использовать фланец для асика  – он идеально подходит для вентилятора и, по идее, должен был хорошо входить в редуктор, но их печатают на 3D принтере и мне пришел экземпляр, у которого трубка в форме конуса) На этом я решил эксперименты с 3D печатью закончить и взять нормальный штампованный фланец вентиляции диаметром 120мм.

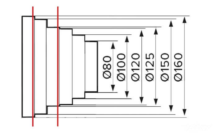
Вентиляционный редуктор обрезаем, чтобы осталась секция 125 мм, ее будем использовать как камеру и крепление к фланцу. Секцию 150 мм оставляем для угля, а обрез делаем по самому краю секции 160 мм – тут будет крепиться решетка на магнитах.

1321182501_.thumb.png.12d2d3f1746c3b48280ddc70314bfad8.png

Отрез делал ножовкой по металлу. Получилось не очень ровно, но материал очень хорошо поддается обработке – неровности отлично соскабливаются лезвием ножа. Это была самая сложная часть процесса).

Изначально, я планировал крепить редуктор к фланцу с помощью герметика и полностью разместить фильтр внутри бокса, но в итоге оказалось, что места в боксе не хватает даже для такого фильтра (диаметр 16 см, глубина 7 см). Поэтому я просто обмотал фланец изолентой, чтобы он плотно прилегал к редуктору, сделал в боксе отверстие диаметром 125 мм и собрал фильтр уже в боксе, вынеся вентилятор за заднюю стенку. В итоге, в самом гроубоксе фильтр занимает только 2,5 см.

IMG_5452.thumb.png.fdeaf3516231ada98079afcd94345253.png

Далее вырезаем из сетки от насекомых круг диаметром 145 мм и приклеиваем его Поксиполом к редуктору.

IMG_5570.thumb.png.0bd069ac585cf5aea53cfb1e7bf2cd22.png

Приклеиваем крепежный кург от решетки к редуктору. На дно кладем предфильтр. Засыпаем уголь и кладем еще один круг предфильтра.

670488522_Group2.thumb.png.0367aa4108517d32d9a8a9530e2f00c8.png

Так как для нас важно давление, которое создает вентилятор, сделал прокладку из резины 2мм, чтобы воздух не проходил через щель между вентилятором и фланцем.

IMG_5577.thumb.png.c55a936802c38bad1599ae8d9b21e31c.png

Конструкция в сборе.

1433037886_Group7.thumb.png.41c453f8564c56855696f704c6038bc1.png

Из минусов данной конструкции могу отметить:

1. Белый пластик сильно пачкается от угля и потом не отмывается – поэтому аккуратнее при замене угля.

2. Удобнее было бы вставлять редуктор во фланец, а не наоборот, но деталей подходящего размера я не нашел.

 

IMG_5725.thumb.png.e0c6c8a413afabbdcd41dc833f2cc35c.png

Изначально, я планировал использовать его с распиаренным на форуме вентилятором Noctua NF-F12 industrialPP-3000, который и заказал в Китае. Но когда я его подключил, я, честно говоря, был в шоке) Конечно, он очень хорошо продувает фильтр и все такое. Но шум! Почему никто не написал, как он шумит? Почему каждый второй использует его для стелсов? Я тут встречал формулировки типа «На максимальных оборотах он, конечно, не подарок!». Не подарок? Серьезно?)) Да он звучит как двигатель самолета! В общем, проживание в одном помещении с работающим Noctua NF-F12 industrialPP-3000 не представляется возможным, поэтому от него было решено отказаться))

Подключил к фильтру вентилятор Cooler Master SickleFlow 120 – шума нет, тяга есть, свои функции фильтр выполняет.

Таким образом, мы получили простой в изготовлении, эстетичный и удобный угольный фильтр, который занимает минимум пространства в гроубоксе. Бонусом идет белый цвет, который отлично подходит для отражения света.

IMG_5583-2.thumb.png.3d17c200501365275d6aab7bb73ad5fa.png

Пишите, что думаете про мою версию фильтра, делитесь в комментариях фотками своей реализации и предложениями, как можно улучшить конструкцию.

IMG_5583-1.png

IMG_5570.png

Group 7.png

Изменено пользователем JahGarden
Исправил ошибки
  • Респект! 4

Поделиться сообщением


Ссылка на сообщение
Поделиться на другие сайты
3 часа назад, JahGarden сказал:

Почему каждый второй использует его для стелсов?

Потому что они знают про реостат )))

Реоста́т — электрический аппарат, изобретённый Иоганном Христианом Поггендорфом, служащий для регулировки силы тока и напряжения в электрической цепи путём получения требуемой величины сопротивления.

современным языком это называется диммер

 

а ноктюа ценятся поому что дюже мощные и поэтому в режиме 30-50% мощности бесшумные но при этом справляются с продувкой системных блоков. Кст и цена на них конская не спроста

у тебя ещё F12, а ты загугли F14...

  • Респект! 4

Поделиться сообщением


Ссылка на сообщение
Поделиться на другие сайты
5 часов назад, JahGarden сказал:

Noctua

 

2 часа назад, Mushroomseater сказал:

ноктюа

Офигенские вертушки, хорошие вещи стоят дорого. 

@JahGarden отличный контент :hi2:

 

  • Респект! 1

Поделиться сообщением


Ссылка на сообщение
Поделиться на другие сайты
В 26/09/2023 в 18:42, Mushroomseater сказал:

Потому что они знают про реостат )))

Друзь, спасибо за разъяснения по Ноктюа))
Про реостат я, конечно, знал. 
Просто, когда включил его на полную, подумал, что тут уже ничего не поможет))

А через .USB  (те 5 вольт) он почему-то отказался работать, хотя все остальные вертаки запускаются чрез USB.

Попробую подключить через регулятор напряжения теперь, а то я его продавать уже хотел))

Поделиться сообщением


Ссылка на сообщение
Поделиться на другие сайты
В 28/09/2023 в 13:24, JahGarden сказал:

А через .USB  (те 5 вольт) он почему-то отказался работать, хотя все остальные вертаки запускаются чрез USB.

Если меня склероз не подводит - у нокты ф12 стартовое напряжение 5 вольт. Если БП чахленький - при попытке запуске будет просадка по напряжению ,вот он и стоит потому что на входе 4 с копейками вольта.

  • Респект! 1

Поделиться сообщением


Ссылка на сообщение
Поделиться на другие сайты

Вопрос со стартовой напругой легко решается DC/DC преобразователями. В данном случае нужен повышающий, например такой. На англ boost converter. Подключаете на вход свои 5 вольт с зарядки и крутите подстроечник до нужных оборотов вентиля.

Поделиться сообщением


Ссылка на сообщение
Поделиться на другие сайты

Для публикации сообщений создайте учётную запись или авторизуйтесь

Вы должны быть пользователем, чтобы оставить комментарий

Создать учетную запись

Зарегистрируйте новую учётную запись в нашем сообществе. Это очень просто!

Регистрация нового пользователя

Войти

Уже есть аккаунт? Войти в систему.

Войти

  • Создать...

Успех! Новость принята на премодерацию. Совсем скоро ищите в ленте новостей!